欢迎来到宇烁电器有限公司官网

联系电话:0312-7508808

 当前位置:首页 > 产品中心 >

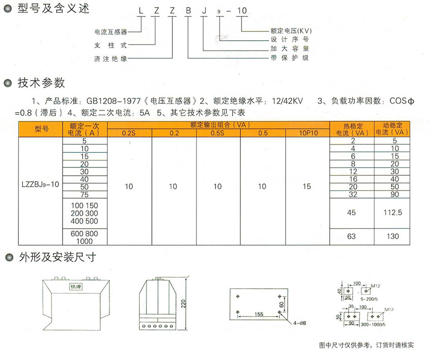
LZZBJ9-10 电流互感器

概述
本型互感器为环氧树脂浇注全封闭支柱式结构,适用于户浇内交流50 -60Hz额定电压为10KV及以下的电力线路中作电流、电能的测量和继电保护使用。

结构特点
本型电流互感器支柱式结构,呆用环氧树脂全封闭浇注成型,耐污染及潮湿。适宜于热带地区。互感器不需特别维护,只需定期的清除表面污物。互感器采用环氧树脂全封团浇注,尺时小,重量轻,造宜于任何位置,任意方向安装。

9.jpg